Ideen für neue (3D-Druck) Teile
Moderator: webmaster
Re: Ideen für neue (3D-Druck) Teile
Da an der Batteriebox ja der Motor mit Riemen dran ist, der dann an der Box zieht, würde ich sogar gern ein Schraube von unten einbringen.
Somit kann man die Batteriebox festschrauben.
Somit kann man die Batteriebox festschrauben.
Re: Ideen für neue (3D-Druck) Teile
Denn unser Projekt entwickelt immer mehr zu einem Problem:
- mit keiner Software kann wirklich vernünftig entwickelt werden
- die Grundplatte ist bisher das einzige Teil das problemlos gedruckt werden konnte und auf die Basisplatte nebst anderen Teilen passt
- der erste Druck der oberen Hälfte musste mangels Qualität und Genauigkeit abgebrochen werden
- die untere Hälfte ist nur mit viel Aufwand, Material und Zeit zu drucken, Änderungen exklusive
- die noch fehlende Achse an der anderen Hälfte bedeutet einen erheblichen Mehraufwand in jeder Hinsicht
Dadurch müssen viele Teile einzelnd und gut aufeinander abgestimmt entwickelt und gedruckt werden.
Ich werde mich mal bei Thingiverse nach Anregungen und Vorlagen umschauen....
Wie siehst Du das Ganze? Hier das Rad obere Hälfte....
Schau´ Dir mal bitte diesen Link an: https://www.thingiverse.com/thing:4725461
Das gefällt mir und kommt unserem recht nahe. Vlt. weniger Gondeln und der Antrieb müsste noch eingebunden werden.
Nachtrag 19:18h: hab mir das mal angeschaut, gefällt mir. Wir müssen dem nur unsere Grundplatte anpassen, die Gondeln so anpassen, das die Kugel wie gewünscht rein- und rauskommt und die Achse verlängern für den Antrieb....
Re: Ideen für neue (3D-Druck) Teile
Wenn wir das Riesenrad als Referenz nehmen können ist das doch schon einiges.
Ich lade mir die Teile mal runter und und fang mal an Teile davon als Grundlage zu nehmen.
Ich lade mir die Teile mal runter und und fang mal an Teile davon als Grundlage zu nehmen.
Re: Ideen für neue (3D-Druck) Teile
Hab die bereits geladen....
So, die Antriebsache wäre fertig montiert.
Jetzt muss ich, erstmal mit dem Hund raus, mir überlegen, wie ich die Grundplatte kombiniere.
Könnte die soweit drunter bzw. plan mit der anderen Grundplatte ziehen, dann sollte es passen.
Was machen wir nur mit den Gondeln?
So, die Antriebsache wäre fertig montiert.
Jetzt muss ich, erstmal mit dem Hund raus, mir überlegen, wie ich die Grundplatte kombiniere.
Könnte die soweit drunter bzw. plan mit der anderen Grundplatte ziehen, dann sollte es passen.
Was machen wir nur mit den Gondeln?
Re: Ideen für neue (3D-Druck) Teile
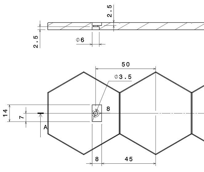
Habe gester mal mit den 2 Rädern, einem Fuß und der Gongel angefangen.
Allerdings fehtl an der Gondel noch die Türe, damit die Kugeln nicht raus rollt.
Die Füße benötigen noch die Zapfen um sie in der Grundplatte zu befestigen.
Nacher muss ich noch "mit dem Osterhasen raus", zumindest für den Kleinen.
Also all zu viel wird es heute nicht.
Allerdings fehtl an der Gondel noch die Türe, damit die Kugeln nicht raus rollt.
Die Füße benötigen noch die Zapfen um sie in der Grundplatte zu befestigen.
Nacher muss ich noch "mit dem Osterhasen raus", zumindest für den Kleinen.
Also all zu viel wird es heute nicht.
Re: Ideen für neue (3D-Druck) Teile
Ich hab gestern auch angefangen, allerdings mit dem drucken der Räder und Kleinteile, das ging völlig in die Hose.
Das Rad kmit den kleinen Zapfen, also den Aufnahmen, wurde zwar gedruckt. Aber die kleinen Öffnungen brechen sehr leicht ab oder werden gar nicht gedruckt. Für die andere Hälfte mit den großen Stiften war keine Zeit. Ich bin erst Dienstag wieder im Haus, bis dahin überlege ich mir, ob ich an diesem Projekt festhalte oder eine andere Idee aufgreife.
Zeichnen ist ok, aber druck du mal ein paar Teile. Mein Drucker ist echt klasse, aber wenn die Vorlage nicht ganz stimmt. Ich denke, wir müssen, wenn wir bei diesem Projekt bleiben wollen, doch anders vorgehen. Bis auf die Grundplatte wird bei mir kaum ein Teil vollständig gedruckt. Entweder liegt es am Drucker oder der Vorlage....
Ich wünsche Dir und deiner Familie schöne Feiertage
Das Rad kmit den kleinen Zapfen, also den Aufnahmen, wurde zwar gedruckt. Aber die kleinen Öffnungen brechen sehr leicht ab oder werden gar nicht gedruckt. Für die andere Hälfte mit den großen Stiften war keine Zeit. Ich bin erst Dienstag wieder im Haus, bis dahin überlege ich mir, ob ich an diesem Projekt festhalte oder eine andere Idee aufgreife.
Zeichnen ist ok, aber druck du mal ein paar Teile. Mein Drucker ist echt klasse, aber wenn die Vorlage nicht ganz stimmt. Ich denke, wir müssen, wenn wir bei diesem Projekt bleiben wollen, doch anders vorgehen. Bis auf die Grundplatte wird bei mir kaum ein Teil vollständig gedruckt. Entweder liegt es am Drucker oder der Vorlage....
Ich wünsche Dir und deiner Familie schöne Feiertage

Re: Ideen für neue (3D-Druck) Teile
Da die Zapfen doch sehr klein sind hab ich die bei mir erst mal 1mm dicker gemacht.
Ich wüde da auch nur erst mal ein kleinen Ausschnitt des Rades, mit so einem Zapfen drucken, um das zu testen.
Zudem hab ich mal eine Türe für den Ausgang der Gondel entworfen, so könnte das dann aussehen.
https://www.dailymotion.com/video/x80e1bj
Die Gondel braucht dann noch ein Anschlag für die Türe damit die Kugel auch nicht die Türe aufdrücken oder verklemmen kann.
Ich wüde da auch nur erst mal ein kleinen Ausschnitt des Rades, mit so einem Zapfen drucken, um das zu testen.
Zudem hab ich mal eine Türe für den Ausgang der Gondel entworfen, so könnte das dann aussehen.
https://www.dailymotion.com/video/x80e1bj
Die Gondel braucht dann noch ein Anschlag für die Türe damit die Kugel auch nicht die Türe aufdrücken oder verklemmen kann.
Re: Ideen für neue (3D-Druck) Teile
Ich kann deinem Link nicht folgen, da ich keine Rechte habe bzw. der Status "privat" vermerkt ist.
Kannst Du die .stl bearbeiten? Ich kann das in Tinkercad nämlich nicht.
Zur Zeit bin ich etwas genervt, da ich nicht wirklich voran kommen....
Kannst Du die .stl bearbeiten? Ich kann das in Tinkercad nämlich nicht.
Zur Zeit bin ich etwas genervt, da ich nicht wirklich voran kommen....
Re: Ideen für neue (3D-Druck) Teile
zur Zeit bekomme ich es leider nicht hin, dass die Videos bei Dailymotion öffentlich sind, aber auch egal.
Ich hab jetz mal die Gondel und die Türe gedruckt, zudem ein Teil des Rades um es zu testen.
Aber bei der Größe der Teile kommt mein Drucker echt an seine Grenzen.
Ich kann keine STL bearbeiten, das würde bei Vectary gehen, aber ich hab das jetzt nachmodeliert.
Im CAD-Programm kann man dann auch einfach Maße und Toleranzen anpassen.
Ich werde dir die Modell auch per Mail zukommen lassen, dann kannst du sie dir anschauen.
Ich hab jetz mal die Gondel und die Türe gedruckt, zudem ein Teil des Rades um es zu testen.
Aber bei der Größe der Teile kommt mein Drucker echt an seine Grenzen.
Ich kann keine STL bearbeiten, das würde bei Vectary gehen, aber ich hab das jetzt nachmodeliert.
Im CAD-Programm kann man dann auch einfach Maße und Toleranzen anpassen.
Ich werde dir die Modell auch per Mail zukommen lassen, dann kannst du sie dir anschauen.
Re: Ideen für neue (3D-Druck) Teile
So habe das 1. Rad mal ausgedruckt.
Prinzipell passt es, bin nur mit der Qualität nicht ganz zufrieden.
Obwohl ich die Stifte langsamer gedruckt habe sehen sie nicht schön aus, und an einem ist das letzte, kleine Teil sogar abgebrochen.
Bin mir nur leider nicht sicher ob es an meinem feuchten Filament liegt, oder an der Druckgeschwindigkeit.
Versuche gerade mein Filament zu trocknen, mal schauen ob es dann besser wird.
Als nächstes wäre dann die Achse drann mit drucken, beim 2. Rad muss noch irgedwas ran, das beim Eingang die Türe steuert.
Ich denke dass ich da noch "Nasen" anbringen muss um die Türe, bzw. besser gesagt den "Separator" aus zu lösen.
Beim Eingang hatte ich 2 Ideen wie man das Separieren der Kugeln hin bekommen könnte.
Prinzipell passt es, bin nur mit der Qualität nicht ganz zufrieden.
Obwohl ich die Stifte langsamer gedruckt habe sehen sie nicht schön aus, und an einem ist das letzte, kleine Teil sogar abgebrochen.
Bin mir nur leider nicht sicher ob es an meinem feuchten Filament liegt, oder an der Druckgeschwindigkeit.
Versuche gerade mein Filament zu trocknen, mal schauen ob es dann besser wird.
Als nächstes wäre dann die Achse drann mit drucken, beim 2. Rad muss noch irgedwas ran, das beim Eingang die Türe steuert.
Ich denke dass ich da noch "Nasen" anbringen muss um die Türe, bzw. besser gesagt den "Separator" aus zu lösen.
Beim Eingang hatte ich 2 Ideen wie man das Separieren der Kugeln hin bekommen könnte.
- Die ankommenden/wartenden Kugeln laufen gegen eine Stufe, die die Kugeln erst mal stoppt. Dann wird über das Rad ein Anhebemechanismus betätigt, der die Kugel auf die Stufe hebt.
- Ein art senkrechte Schranke welche die Kugeln stoppt und auch verhindert, dass gleich 2 Kugeln in das Rad laufen können.
(auch über das Rad gesteuert)